EE 421L Project
Electric
library: ML_ee421L_f13_Project.jelib
IRSIM
input vector: ML_ee421L_f13_Project_8_bit_ALU.cmd

-----
-------
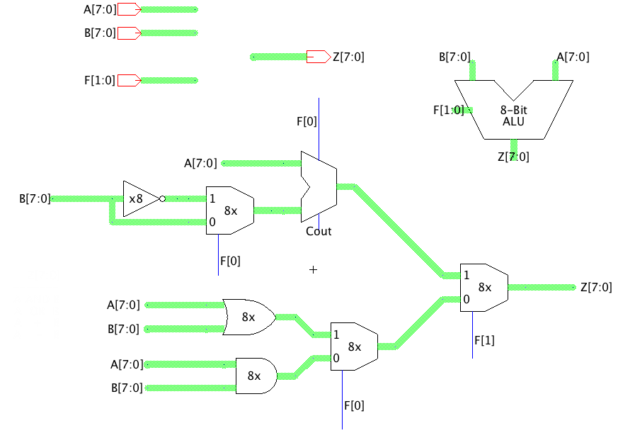
00
A AND B
01
A OR B
10
A + B
11
A -
B
Simulate ALU Schematic with IRSIM
Input vector for IRSIM: ML_ee421L_f13_Project_8_bit_ALU.cmd
Let A = 010111012 = 9310 = 0x5D (hex)
B = 010010112 = 7510
= 0x4B (hex)
F[1:0] = 00 (AND):
Z = A
AND B = 010010012 = 0x49 (hex)
F[1:0] = 01 (OR):
Z = A OR B = 010111112
= 0x5F (hex)
F[1:0] = 10 (Addtition):
Z = A + B = 93 + 75 = 168 = 0xA8 (hex)
F[1:0] = 11 (Subtraction): Z = A
- B = 93 - 75 = 18 = 0x12 (hex)
Layout
Simluate ALU Layout with IRSIM
Input vector for IRSIM: ML_ee421L_f13_Project_8_bit_ALU.cmd
Layout simulation uses the same input vector file.
Let A = 010111012 = 9310 = 0x5D (hex)
B = 010010112 = 7510
= 0x4B (hex)
F[1:0] = 00 (AND):
Z = A
AND B = 010010012 = 0x49 (hex)
F[1:0] = 01 (OR): Z = A OR B = 010111112 = 0x5F (hex)
F[1:0] = 10 (Addtition):
Z = A + B = 93 + 75 = 168 = 0xA8 (hex)
F[1:0] = 11 (Subtraction): Z = A - B = 93 - 75 = 18 = 0x12 (hex)
Result
matches that of the ALU schematic and is correct.
Backup your files
