Lab Project - ECE 421L

Authored by Ruben Medina
E-mail: medina72@unlv.nevada.edu
Date: 11/22/13

Design, layout, and simulation of an 8-bit ALU

Schematic design and simulation

In order to have an 8-bit ALU the components used in the schematic design were the 8x parallel components created in lab 7.

After creating a new project library to hold the ALU, I used the cross-library copy function to copy over the 8-bit AND, 8-bit OR, 8-bit full-adder (including layout), 8-bit inverter and 2-to-1 mux from lab 7. 

Cross-Library Copy of necessary components

Note the selection of copy subcells and copy all related views options to make sure all associated parts for the copied components are also copied into the new library.


The ALU will implement the AND, OR, Addition, and Subtraction functions for the 8-bit A and B input buses and the result will be output to the 8-bit Z bus.

The functions will be selected by the 2-bit F input bus as can be seen in the table below:

F[1:0]

Function
00 AND
01 ADD
10 OR
11 SUB


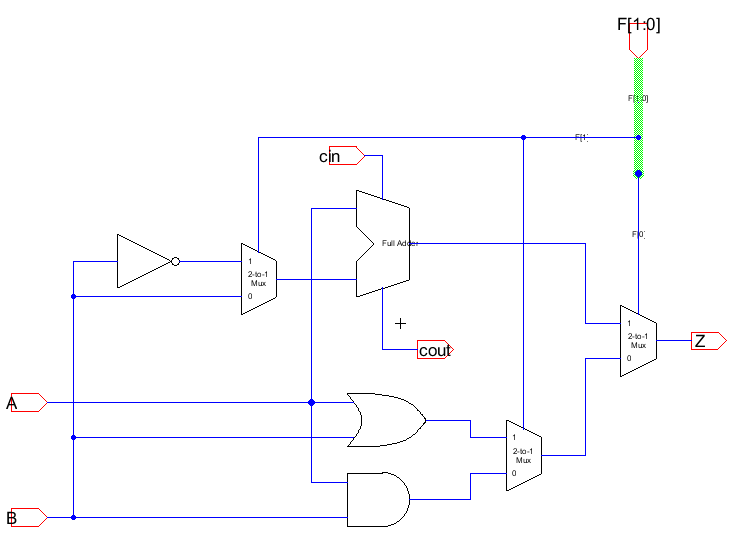
The schematic and icon for the ALU were drafted as follows:

Schematic of ALU


The subtract function is implemented by inverting the B input of the full-adder and setting the carry in of the full-adder to 1 for two's complement. This is done by using the F[1] bit as an input to a 2-to-1 mux to select the inverted B input bus and also set the carry in bit of the full-adder.

The AND and OR functions are easily added by placing the 8-bit AND and OR components and three 2-to-1 muxes are used to select the desired function using the F bus.


To simulate the ALU, I created a separate simulation schematic using the ALU icon previously created.

Simulation schematic of ALU


I then created an IRSIM command file containing vectors for all of the inputs and outputs which is located here and simulated the ALU.

IRSIM simulation of ALU

In my simulation commands I set the output bus to 0 for 2ns after selecting the function before setting the output bus to tri-state("x") to show the result because otherwise the Z output bus is squeezed together and hard to read in the simulation as the final output is calculated for the addition and subtraction functions as can be seen below:

IRSIM without setting output to zero for each function


We can see from the simulation that the first function simulated is AND (00) and the result 0x1F AND 0x01 = 0x01 is correct.

Next, the function simulated is the addition operation (01) and the result 0x1F + 0x01 = 0x20 is correct.

Next, the function simulated is OR (10) and the result 0x1F OR 0x01 = 0x1F is correct. (With one note, see below)

Next, the function simulated is subtraction (11) and the result 0x1F - 0x01 = 0x1E with a carry-out of 1 which is correct.

Finally, the input buses A and B are changed to 0x88 and 0x11, respectively, and the addition function is set for the result 0x88 + 0x11 = 0x99 which is correct.


Note: The cout bit is set high during the OR function operation. This is due to the fact that the F[1] bit of the OR function is also used to select the inverted B input bus and set the carry-in of the full-adder for the subtraction operation. Thus, this output should be disregarded during the operation of the OR function. One way to correct this would be to add an AND gate with the F[1:0] bits as input so this only happens for subtraction (11) but this introduces an additional gate delay during simulation.


My jelib of the project containing the schematic and icon can be found here.


Layout of ALU design

To complete the layout of the complete 8-bit ALU I decided to split the layout into separate 1-bit ALU components. This saves time by only needing to layout 1-bit and also leads to a clean and compact layout for the 8-bit ALU.

To accomplish this, I began by making a new schematic containing only 1-bit components of the previous 8-bit ALU schematic.

Schematic of 1-bit of the ALU


Next, I did the layout for this 1-bit ALU.

Layout of 1-bit of the ALU

And opened:

Opened 1-bit layout of ALU

And the 3D view:

3D view of 1-bit ALU layout


Next, I ran DRC, well, and LVS checks on the layout:

1-bit ALU DRC, well, LVS checks


I then simulated the schematic and layout to make sure this new 1-bit ALU was working correctly using the IRSIM command file here:

Simulation of 1-bit ALU


With the 1-bit ALU layout completed, I began the layout for the 8-bit ALU.

To layout the 8-bit ALU I used 8 of the 1-bit ALU layouts stacked on top of each other and then made the appropriate connections to match the schematic. This included connecting all of the F[0] inputs together and all of the F[1] inputs together while also connecting the first ALU bit's cin input to F[1] and all of the couts and cins for each bit together. I also connected the vdd and ground for all of the bits together and made the necessary exports of vdd, gnd, F[1:0], A[7:0], B[7:0], Z[7:0], and the last bit's cout.

Closed view of 8-bit ALU layout                     Open view of 8-bit ALU layout

The 3D view can be seen below:

3D view of 8-bit ALU layout


Next, I ran DRC, well, and LVS checks which can be seen below:

DRC, well, LVS checks of the layout


Finally, I re-simulated just the layout of the 8-bit ALU which results in the same simulation as the schematic but with the result of the addition of 0x88 and 0x11 taking slightly longer to stabilize:

Simulation using layout of 8-bit ALU


My jelib of the project containing the schematic, icon, and layout can be found here.


To make sure nothing was lost I backed up my project folder containing the project library and this webpage to Dropbox:

Dropbox backup


Return to my list of labs