Lab 8 - ECE 421L
Prelab
- Download and cross library copy the bare pads for a tiny-chip (1.5mm x 1.5mm with 40 bond pads) seen




















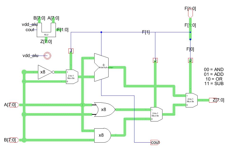
ALU vdd = Pin 21 A[0-7] = Pin 22-29 B[0-7} = Pin 30-37 Cout = Pin 38 F[0-1] = Pin 39-40 Z[7-0] = Pin 1-8 gnd = Pin 20 |
PMOS SP = Pin 23 GP = Pin 24 DP = Pin 25 BP = Pin 26 |
NMOS DN = Pin 27 GN = Pin 28 SN = Pin 29 gnd = Pin 20 |
Inverter vdd = Pin 19 In = Pin 22 Out = Pin 23 gnd = 20 |
Bandgap vdd = Pin 9 Vref = Pin 1 gnd = Pin 20 |
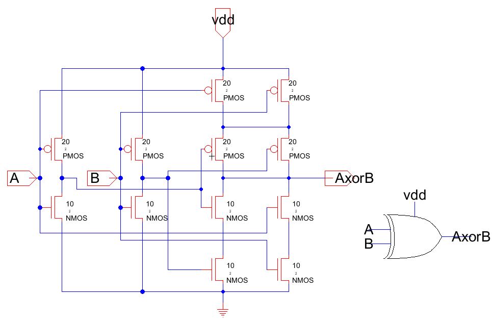
XOR Gate vdd = Pin 18 A = Pin 23 B = Pin 22 AxorB = Pin 24 |
R_Divider vin = Pin 11 vout = Pin 8 gnd = Pin 20 |
Osc vdd_osc = Pin 10 osc_out = Pin 11 gnd = Pin 20 |
20k
N well vout = Pin 16 vin = Pin 15 |
20k
hi-res vout = Pin 16 vin = Pin 12 |
1k N+ vout = Pin 16 vin = Pin 14 gnd = Pin 20 |
1k
P+ vout = Pin 16 vin = Pin 12 vdd = Pin 17 |
Diode
K = Pin 16 A = Pin 11 |
| F[1:0] | Function |
| 00 | AND |
| 01 | ADD |
| 10 | OR |
| 11 | SUB |