Lab 7 - ECE 421L

Authored by Brett Smith (smithb25@unlv.nevada.edu)

Tuesday, November 7th, 2017

 

In this lab we're bussing around like a group of international tourists. The first device I made was a 4 bit inverter.

x4 inverter schematic
4-bit inverter schematic

4-bit inverter symbol
4-bit inverter symbol

4-bit inverter sim schematic
4-bit inverter simulation schematic

4-bit inverter results
4-bit inverter simulation results

 

From the simulation results you can see that the increased capacitance on the output increases the delay of the circuit as would be expected becuase of the larger RC time constant.

 

I then built a NAND, NOR, AND, and OR gates as well as a 2-to-1 demux and made them into an 8-bit devices. NOTE: the rest of my simulations were done using Stimuli instead of a specific simulation schematic.

nand schematic
NAND symbol

nand symbol
NAND symbol
x8 nand schematic
8-bit NAND schematic

8-bit nand symbol
8-bit NAND symbol



8-bit 2to1 demux results
8-bit NAND simulation results

 

nor
NOR symbol

2to1 dumux symbol
NOR symbol
x8 2to1 demux schematic
8-bit NOR schematic

8-bit 2to1 demux symbol
8-bit NOR symbol



8-bit 2to1 demux results
8-bit NOR simulation results

 

2to1 demux
AND symbol

2to1 dumux symbol
AND symbol
x8 2to1 demux schematic
8-bit AND schematic

8-bit 2to1 demux symbol
8-bit AND symbol



8-bit 2to1 demux results
8-bit AND simulation results

 

2to1 demux
OR symbol

2to1 dumux symbol
OR symbol
x8 2to1 demux schematic
8-bit OR schematic

8-bit 2to1 demux symbol
8-bit OR symbol



8-bit 2to1 demux results
8-bit OR simulation results

 

x8 2to1 demux schematic
8-bit inverter schematic

8-bit 2to1 demux symbol
8-bit inverter symbol



8-bit 2to1 demux results
8-bit inverter simulation results

 

2to1 demux
2-to-1 demux symbol

2to1 dumux symbol
2-to-1 demux symbol
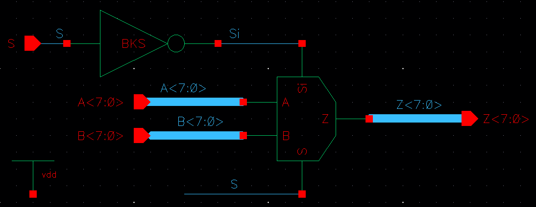
x8 2to1 demux schematic
8-bit 2-to-1 demux schematic

8-bit 2to1 demux symbol
8-bit 2-to-1 demux symbol



8-bit 2to1 demux results
8-bit 2-to-1 demux simulation results

The last step of the lab was to do the same thing with a full adder and then do the layout for that full adder. 

 

2to1 demux
full adder symbol

2to1 dumux symbol
full adder symbol
x8 2to1 demux schematic
8-bit full adder schematic

8-bit 2to1 demux symbol
8-bit full adder symbol



8-bit 2to1 demux results
8-bit full adder simulation results
x8 2to1 demux schematic
x8 2to1 demux schematic
full adder layout and extracted

8-bit 2to1 demux symbol
8-bit 2to1 demux symbol
full adder LVS and DRC
 
8-bit 2to1 demux symbol
8-bit 2to1 demux symbol
8-bit full adder layou tLVS and DRC



8-bit 2to1 demux results8-bit 2to1 demux results
8-bit full adder layout and extracted

 

Wow that was a lot! The library for my design can be downloaded here. Both my lab and this website have been backed up.

 

Return to my other labs

 

Return to EE 421L Labs